山东鲁工空调设备有限公司——空调设备采购一站式解决
首页
Home
产品中心
Nav
成功案例
Nav
新闻资讯
Nav
走进鲁工
Nav
联系我们
Nav
风机盘管
空调机组
换气机
暖风机
空气幕
风机箱
风机风阀
商业办公
酒店行业
制造行业
医疗行业
教培行业
实时新闻
问题诊治
产品百科
关于鲁工
鲁工资质
留言板
7*24小时服务热线:
19953402368
产品详情
分享到:
LG-吊顶式新风净化空调机组
新风净化机组是一种重要的空气处理设备,主要用于改善室内空气质量,提供新鲜空气。
新风净化机组的工作原理:
空气抽取:新风机组从室外抽取新鲜空气。
空气处理:抽取的空气经过除尘、除湿(或加湿)、降温(或升温)等处理。
空气输送:处理后的空气通过风机送入室内。
空气置换:新风进入室内后,替换室内原有的空气,从而改善室内空气质量。
新风机组的控制系统包括送风温度控制、送风湿度控制、防冻控制等,以确保室内空气品质达到预期标准。
新风净化机组适用于多种场所,主要包括:
1.住宅建筑:提高居住环境的空气质量,保障居民健康。
2.商业建筑:如办公楼、商场等,提供舒适的室内环境,提升工作效率和顾客体验。
3.工业建筑:在一些需要严格控制空气质量和温湿度的工业环境中,新风净化机组也是必不可少的。
4.公共建筑:如医院、学校、剧院等,保障公共场所的空气质量和公众健康。
新风净化机组的应用不仅限于上述场所,还可以根据不同的使用环境和需求进行定制,以满足特定的空气处理要求。
材质:
高定彩钢板
型号:
LG-新风空调机组
18953448210
上一个:
LGFP-WA(精品)
下一个:
LG-低噪声柜式风机箱
产品详情
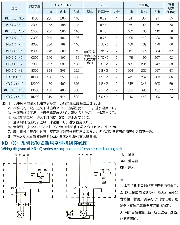
KD(X)系列吊顶式新风空调机组主要的技术参数
Main technical parameters of KD(X)series ceiling-type fresh air air conditioning unit
友情链接:
风机盘管
空调机组
新风换气机
山东鲁工空调
相关配件
山东鲁工空调厂家
公司:山东鲁工空调设备有限公司
地址:山东省德州市武城县鲁权屯工业园区金信大街东首园区
邮箱:19953402368@163.com
淘宝店铺:
https://shop442527034.taobao.com
Tel:13853435409、18953448210、19953402368(
24
小时服务热线
)
产品中心
成功案例
新闻资讯
关于我们
联系我们
风机盘管
空调机组
换气机
暖风机
空气幕
风机箱
风机风阀
教培行业
医疗行业
水暖行业
科研
行业
制造行业
商业办公
走进
鲁工
企业新闻
行业动态
联系方式